A35 Exploded View II

Uit Tomoswiki
Naar navigatie springenNaar zoeken springen

01.gif Exploded view blok en cilinder 02.gif 10227.332 1 Carter

10222.098 2 Middenpakking-asbest Vrij

10223.44 3 Passtift 9,8x16

10222.087 4 Dekselpakking-asbest Vrij

10027.264 5 Bout M6x10

10230.172 6 Afdichtring A6x12

10026.311 7 Bout M8x10

10230.173 8 Afdichtring A8x14

10231.015 9 Doorvoerrubber

10223.471 10 Vliegwieldeksel

10200.294 11 Rubberring

10026.573 12 Inbusbout M6x25

10223.44 13 Passtift 9,8x16

10026.041 14 Bout M8x1x70

10026.043 15 Bout M8x1x80

10031.933 16 Sluitring 8

10030.049 17 Moer M8x1-zelfborgend

10205.386 18 Cilindertapeind

10227.144 19 Voetpakking (0,3mm)-asb. Vrij

10229.324 20-1 Cilinder Cpl

10208.201 21 Tapeind

10227.998 22 Koppakking-1,0mm (aluminium)

10229.288 23-1 Cilinderkop

10044.511 24 Bougie Bosch W7ac

10044.154 25 Sluitring 7

10031.076 26 Moer M7

10227.848 27-2 Zuiger 38,5x50

10227.868 27-1 Zuiger 38,0x50

10222.041 28-1 Zuigerveer 38,0x1,5mm

10227.758 28-2 Zuigerveer 38,5x1,5mm

10207.408 29 Zuigerpen 12mm

10032.039 30 Borgveer 12

10222.202 31 Carterdeksel R. (kickst. Motor)

10026.573 32 Inbusbout M6x25

10026.582 33 Inbusbout M6x65

10222.238 34 Inlaatmembraan

10223.748 35 Pakking

10230.045 36-1 Inlaatflens

10031.931 37 Sluitring 5

10026.566 38 Inbusbout M5x20

10227.339 39 Breekbout

10227.331 40 Pakkingset-asbest Vrij

10229.775 41 Motor Cpl (iskra Elec.ontst)

Exploded view van de krukas, koppeling. ontsteking en vliegwiel 03.gif 10223.421 1-1 Krukas

10227.459 1-2 Drijfstangset Cpl-12mm

10035.548 2 Naaldlager 12x15x15

10212.957 3-3 Shim 0,10mm

10212.958 3-2 Shim 0,15mm

10212.959 3-1 Shim 0,20mm

10035.07 4 Kogellager 6203 C3

10044.838 5 Oliekeerring 17x35x7/6

10223.468 6 Vulring

10223.47 7 Lagerbus

10223.423 8 Koppelingshuis Cpl

10035.554 9 Naaldkoppeling

10209.073 10-1 Shim 0,30mm

10209.119 10-2 Shim 0,50mm

10223.432 11 Koppelingssegment

10223.434 12 Pen

10223.429 13 Koppelingsnaaf-1e Versn.

10209.002 14 Veerschijf

10209.039 15 Strip

10209.013 16-1 Koppelingsveer

10223.769 16-2 Koppelingsveer

10223.435 17 Koppelingsnaaf-2e Versn.

10223.436 18-2 Koppeling Cpl-2e Versnelling

10227.849 18-1 Koppeling Cpl-1e Versnelling

10032.083 19 Seegerring A28

10031.848 20 Veerring B10

10215.487 21 Moer M10x1

10035.202 22 Kogellager 608

10230.329 23 Vliegwiel

10230.328 24 Stator

10026.657 25 Inbusbout M5x15-rvs

10031.867 26 Golfveerring 5

10027.247 27 Bout M5x10

10230.627 28 Electronic Box

10200.048 29 Spie

10229.919 30 Ring

10215.487 31 Moer M10x1

10210.175 32 Tule

10044.528 33 Bougiekabel, Per Meter

10211.977 34 Bougiedop

10230.327 35 Ontsteking

Exploded view van de aandrijving 04.gif 10223.458 1 Hoofdas

10044.835 2 Spie 5x5x12

10035.072 3 Kogellager 6201

10032.077 4 Seegerring A20

10223.463 5 Kooi

10209.063 6 Pal

10222.209 7 Kooi

10223.121 8 Veer

10035.6 9 Lagerring

10227.194 10 Tandwiel-1e Versn.

10223.461 11 Tandwiel-2e Versn.

10209.062 12 Borgplaat

10200.141 13 Moer M14x1

10223.469 14 Vulring

10209.075 15-1 Shim 0,20mm

10209.076 15-2 Shim 0,50mm

10035.031 16 Kogellager 6000

10209.078 17 Voortandwiel Z=26

10209.079 18 Borgplaat

10209.08 19 Moer

10209.077 20 Vulbus

10036.62 21 Oliekeerring 35x47x7

10035.037 22 Kogellager 6006

10223.456 23 Aandrijftandwiel Cpl.

10035.502 24 Naaldlager Sce 109p

10035.503 25 Naaldlager Sce 108

Exploded view kickstart 05.gif 10223.447 1 Kickstartas

10205.702 2 Vulring 2,0mm

10209.048 3 Remveer

10209.566 4 Startmof

10217.584 5 Starttandwiel

10217.582 6 Ketting

10223.448 7 Afstandsbus

10032.073 8 Seegerring A16

10206.391 9 Shim 1,00mm

10200.175 10-2 Shim 0,50mm

10206.391 10-3 Shim 1,00mm

10209.087 10-1 Shim 0,20mm

10223.473 11 Veer

10221.406 12 Kickstartnaaf

10230.451 13 Kickstartpedaal-zwart

10201.487 14 Kickstartrubber

10260.216 15 Grendelpal

10260.217 16 Veer

10202.726 17 Spie

10202.723 18 Afstandsbus

10202.727 19 Sluitring

10031.076 20 Moer M7

Exploded view carburateur en luchtfilter 06.gif 10230.052 1-1 Carburateur

10212.465 2-3 Sproeier 52

10217.919 2-1 Sproeier 50

10217.94 2-5 Sproeier 54

10219.581 2-2 Sproeier 51

10234.155 2-6 Sproeier 55

10219.589 3 Vlotternaald

10219.582 4 Vlotter

10219.593 5 Stift

10219.594 6 Pakking

10219.595 7 Vlotterkamer

10031.93 8 Sluitring 4

10027.057 9 Bout M4x20

10219.58 10 Gasschuif

10219.596 11 Deksel Cpl

10219.871 12 Stift

10219.872 13 Veer

10219.873 14 Hevel

10219.874 15 Veer

10219.583 16 Pakking

10219.598 17 Bout

10219.626 18 Moer

10219.625 19 Stelnippel

10219.624 20 Rubbertule

10219.585 21 Filter

10219.584 22 Filterdeksel

10219.78 23 Fiberring

10027.064 24 Bout M5x10

10031.075 25 Moer M6

10027.083 26 Bout M6x30

10219.587 27 Stelbout

10219.588 28 Veer

10219.59 29 Pakking

10223.026 30 Chokehevel

10219.591 31 Veer

10219.592 32 Boutje

10223.025 33 Hevel

10223.027 34 Veer

10230.259 35 Chokehevel

10219.623 36 Kabelbocht

10031.073 37 Moer M4

10031.93 38 Sluitring 4

10227.326 39 Bus

10227.324 40 Rubberring

10219.375 41 Klem 60mm

10219.875 42 Pakkingset

10230.069 43-1 Inlaatdemper

10229.704 44 Luchtfilter

10229.776 45 Tussenplaat

10229.702 46 Afdichtrubber

10229.703 47 Strip

10044.438 48 Parker 4,2x19

10230.046 49 Aanzuigslang

10229.705 50 Aanzuigrubber

10229.706 51 Rubber

10027.266 52 Bout M6x25

10295.032 53 Sluitring 6

Exploded view zadel, bagagedrager en uitlaat 07.gif 10208.609 1 Zadel-zwart (witte Letters)

10025.398 2 Bout M8x55

10031.933 3 Sluitring 8

10031.077 4 Moer M8

10229.064 5-2 Bagagerek-wit

10229.065 5-1 Bagagerek-zwart

10031.932 6 Sluitring 6

10031.845 7 Veerring B6

10027.268 8 Bout M6x16

10234.065 9 Bagagerek-zwart

10234.073 10 Beugelslot Cpl.

10234.074 11 Bevestigingsset Beugelslot

10209.149 13 Busje

10031.933 14 Sluitring 8

10031.077 15 Moer M8

0010209.169.017 16 Drager-rood

0010209.169.020 16 Drager-zwart

0010209.169.021 16 Drager-zilver Metallic

0010209.169.053 16 Drager-ultra Blauw

10209.209 17 Gereedschapsbak

10223.598 18 Beugel-chroom

10200.846 19 Bougiesleutel

10223.768 20 Schroevendraaier

10229.301 21-1 Uitlaat Cpl-chroom

10044.437 22 Parker 3,5x6,5

10227.565 23 Binnendemper

10227.149 24 Uitlaatpakking-asbest Vrij

10031.845 25 Veerring B6

10031.075 26 Moer M6

10027.268 27 Bout M6x16

10031.932 28 Sluitring 6

10031.845 29 Veerring B6

10031.075 30 Moer M6

Exploded view frame, spatborden en achterbrug 08.gif 0010229.929.017 1 Frame-knalrood

0010229.929.020 1 Frame-zwart

0010229.929.021 1 Frame-zilver Metallic

0010229.929.053 1 Frame-ultrablauw

0010229.929.058 1 Frame-robijn Rood

0010229.929.059 1 Frame-calypso Groen

0010229.929.060 1 Frame-satin Silver

0010229.929.062 1 Frame-midblue

0010229.929.064 1 Frame-magic Red Metallic

0010229.929.065 1 Frame-magic Blue Metallic

0010229.929.069 1 Frame-magic Gold Metallic

10209.141 2 Lagerbus

10229.119 3 Benzinekraan

10224.056 5 Slangklem

10044.531 6 Benzineslang, Per Meter

10229.094 7 Standaard-zwart Gelakt

10200.609 8 Standaardveer

10209.143 9 Beugel

10026.041 10 Bout M8x1x70

10030.049 11 Moer M8x1-zelfborgend

10031.933 12 Sluitring 8

10223.145 13-2 Voorspatbord-chroom

0010223.147.017 13-1 Voorspatbord-knalrood

0010223.147.020 13-1 Voorspatbord-zwart

0010223.147.021 13-1 Voorspatbord-zilver Metallic

0010223.147.053 13-1 Voorspatbord-ultra Blauw

0010223.147.058 13-1 Voorspatbord-robijnrood

0010223.147.059 13-1 Voorspatbord-calypso Groen

0010223.147.060 13-1 Voorspatbord-satin Silver

0010223.147.061 13-1 Voorspatbord-satin Orange

0010223.147.062 13-1 Voorspatbord-midblue

0010223.147.064 13-1 Voorspatbord-mag.red Metallic

0010223.147.065 13-1 Voorspatbord-mag.blue Metallic

0010223.147.069 13-1 Voorspatbord-magic Gold Metallic

0010207.077.017 14-1 Spatbordsteun-knalrood

0010207.077.020 14-1 Spatbordsteun-zwart

0010207.077.021 14-1 Spatbordsteun-zilver Metallic

0010207.077.053 14-1 Spatbordsteun-ultra Blauw

0010207.077.058 14-1 Spatbordsteun-robijnrood

0010207.077.059 14-1 Spatbordsteun-calypsogroen

0010207.077.060 14-1 Spatbordsteun-satin Silver

0010207.077.061 14-1 Spatbordsteun-satin Orange

0010207.077.062 14-1 Spatbordsteun-midblue

0010207.077.064 14-1 Spatbordsteun-mag.red Metallic

0010207.077.065 14-1 Spatb.steun-mag.blue Metallic

0010207.077.069 14-1 Spatbordsteun-magic Gold Metallic

10213.488 14-2 Spatbordsteun-chroom

10031.075 15 Moer M6

10031.845 16 Veerring B6

10027.265 17 Bout M6x12

10223.146 18-2 Stabilisator-chroom

0010223.148.017 18-1 Stabilisator-knalrood

0010223.148.020 18-1 Stabilisator-zwart

0010223.148.021 18-1 Stabilisator-zilver Metallic

0010223.148.053 18-1 Stabilisator-ultrablauw

0010223.148.058 18-1 Stabilisator-robijnrood

0010223.148.059 18-1 Stabilisator-calypsogroen

0010223.148.060 18-1 Stabilisator-satin Silver

0010223.148.061 18-1 Stabilisator-satin Orange

0010223.148.062 18-1 Stabilisator-midblue

0010223.148.064 18-1 Stabilisator-mag.red Metallic

0010223.148.065 18-1 Stabilisator-mag.blue Metallic

0010223.148.069 18-1 Stabilisator-magic Gold Metallic

10031.075 19 Moer M6

10031.845 20 Veerring B6

10031.074 21 Moer M5

10031.931 22 Sluitring 5

10027.259 23 Bout M5x8

10213.687 24-1 Sierstrip-zilver

10234.219 24-2 Sierstrip-zwart

10213.688 25 Clip

10227.05 26 Voetsteundrager-zwart Gelakt

10206.109 27-1 Voetsteun-zwart Gelakt

10217.174 27-2 Voetsteun Cpl

10202.881 28 Voetsteunrubber

10031.848 29 Veerring B10

10026.327 30 Bout M10x25

10222.299 31-3 Achterspatbord-chroom

0010227.878.017 31-1 Achterspatbord-knalrood

0010227.878.020 31-1 Achterspatbord-zwart

0010227.878.021 31-1 Achterspatbord-zilver Met.

0010227.878.053 31-1 Achterspatbord-ultrablauw

0010227.878.058 31-1 Achterspatbord-robijnrood

0010227.878.059 31-1 Achterspatbord-calypsogroen

0010227.878.060 31-1 Achterspatbord-satin Silver

0010227.878.061 31-1 Achterspatbord-satin Orange

0010227.878.062 31-1 Achterspatbord-midblue

0010227.878.064 31-1 Achtersp.bord-mag.red Metallic

0010227.878.065 31-1 Achterspatbord-mag.blue Metal.

0010227.878.069 31-1 Achterspatbord-magic Gold Metallic

0010230.598.017 31-2 Achterspatbord-knalrood

0010230.598.020 31-2 Achterspatbord-zwart

0010230.598.021 31-2 Achterspatbord-silver Metallic

0010230.598.053 31-2 Achterspatbord-ultrablauw

10027.265 32 Bout M6x12

10031.995 33 Tandveerring A6

10031.932 34 Sluitring 6

10031.075 35 Moer M6

0010229.786.017 36 Achtervork-knalrood

0010229.786.020 36 Achtervork-zwart

0010229.786.021 36 Achtervork-zilver Metallic

0010229.786.053 36 Achtervork-ultrablauw

0010229.786.058 36 Achtervork-robijnrood

0010229.786.059 36 Achtervork-calypsogroen

0010229.786.060 36 Achtervork-satin Silver

0010229.786.061 36 Achtervork-satin Orange

0010229.786.062 36 Achtervork-midblue

0010229.786.064 36 Achtervork-magic Red Metallic

0010229.786.065 36 Achtervork-magic Blue Metallic

0010229.786.069 36 Achtervork-magic Gold Metallic

10026.083 37 Bout M12x1,25x120

10031.935 38 Sluitring 12

10031.997 39 Tandveerring A12

10030.051 40 Moer M12-zelfborgend

10209.144 41 Lagerbus

10219.188 42-3 Schokbreker (chroom Veer)

10227.172 42-1 Schokbreker (zwarte Veer)

10227.236 42-2 Schokbreker (witte Veer)

10025.409 43 Bout M10x35

10211.597 44 Sluitring

10207.462 45-2 Gele Plaat

10217.807 45-1 Oranje Plaat

10030.048 47 Moer M5-zelfborgend

10213.953 48 Tankdop-verzinkt

10217.911 49 Tankdop-zwart

10209.894 50 Rubber

Exploded view kappen 09.gif 0010229.836.017 1 Zijscherm R.-knalrood

0010229.836.020 1 Zijscherm R.-zwart

0010229.836.039 1 Zijscherm R.-lichtblauw

0010229.836.053 1 Zijscherm R.-ultrablauw

0010229.836.058 1 Zijscherm R.-robijnrood

0010229.836.059 1 Zijscherm R.-calypsogroen

0010229.836.060 1 Zijscherm R.-satin Silver

0010229.836.061 1 Zijscherm R.-satin Orange

0010229.836.062 1 Zijscherm R.-midblue

0010229.836.064 1 Zijscherm R.-mag.red Metallic

0010229.836.065 1 Zijscherm R.-mag.blue Metallic

0010229.836.069 1 Zijscherm R.-magic Gold Metallic

0010229.837.017 2 Zijscherm L.-knalrood

0010229.837.020 2 Zijscherm L.-zwart

0010229.837.039 2 Zijscherm L.-lichtblauw

0010229.837.053 2 Zijscherm L.-ultrablauw

0010229.837.058 2 Zijscherm L.-robijnrood

0010229.837.059 2 Zijscherm L.-calypsogroen

0010229.837.060 2 Zijscherm L.-satin Silver

0010229.837.061 2 Zijscherm L.-satin Orange

0010229.837.062 2 Zijscherm L.-midblue

0010229.837.064 2 Zijscherm L.-mag.red Metallic

0010229.837.065 2 Zijscherm L.-mag.blue Metallic

0010229.837.069 2 Zijscherm L.-magic Gold Metallic

10229.728 3 Rubbertule

10217.753 4 Sluitring

10027.265 5 Bout M6x12

10229.728 8 Rubbertule

10217.753 9 Sluitring

10027.265 10 Bout M6x12

0010209.176.017 11 Kabelscherm-knalrood

0010209.176.020 11 Kabelscherm-zwart

0010209.176.021 11 Kabelscherm-zilver Metallic

0010209.176.053 11 Kabelscherm-ultrablauw

0010209.176.058 11 Kabelscherm-robijnrood

0010209.176.059 11 Kabelscherm-calypsogroen

0010209.176.060 11 Kabelscherm-satin Silver

0010209.176.061 11 Kabelscherm-satin Orange

0010209.176.062 11 Kabelscherm-midblue

0010209.176.064 11 Kabelscherm-mag.red Metallic

0010209.176.065 11 Kabelscherm-mag.blue Metallic

0010209.176.069 11 Kabelscherm-magic Gold Metallic

10026.148 12 Parker 4,2x9,5

10229.779 13 Kettingscherm

10215.341 14 Sluitring

10044.436 15 Parker 4,8x9,5

0010223.529.017 16 Koplamphuis-knalrood

0010223.529.020 16 Koplamphuis-zwart

0010223.529.021 16 Koplamphuis-zilver Metallic

0010223.529.053 16 Koplamphuis-ultrablauw

0010223.529.058 16 Koplamphuis-robijnrood

0010223.529.064 16 Koplamphuis-mag.red Metallic

0010223.529.065 16 Koplamphuis-mag.blue Metallic

0010223.529.069 16 Koplampspoiler-magic Gold Metallic

10223.528 17 Koplampbevestigingsbeugel-r

10223.527 18 Koplampbevestigingsbeugel-l

10223.493 19 Vulring

10208.324 20 Sluitring

10030.02 21 Dopmoer M6

10229.205 23 Koplampbevestigingsbeugel-r

10229.206 24 Koplampbevestigingsbeugel-l

10201.941 25 Rubberdop

10229.207 26 Afstandsbus

10208.324 27 Sluitring

10030.02 28 Dopmoer M6

10211.914 30 Sluitring

10044.438 31 Parker 4,2x19

10211.914 32 Sluitring

10044.418 33 Parker 4,2x13

Exploded view stickerset 10.gif 10234.122 1-1 Transf.set Cpl"tomos"-gl/or.

10234.124 1-2 Transf.set Cpl"tomos"-or/turk.

10234.128 1-5 Transfer "standard"

10234.129 1-5 Transfer "luxe"

10234.132 1-3 Tanktransf.set"tomos"-gl/or.

10234.133 1-3 Transfer "tomos" L.-gl/or.

10234.134 1-3 Transfer "tomos" R.-gl/or.

10234.142 1-4 Tanktransf.set"tomos"-or/turk.

10234.143 1-4 Transfer "tomos" L.-or/turk.

10234.144 1-4 Transfer "tomos" R.-or/turk.

Exploded view voorvork 11.gif 0010229.296.017 1 Kroonstuk-knalrood

0010229.296.020 1 Kroonstuk-zwart

0010229.296.021 1 Kroonstuk-zilver Metallic

0010229.296.039 1 Kroonstuk-lichtblauw

0010229.296.053 1 Kroonstuk-ultrablauw

0010229.296.058 1 Kroonstuk-robijnrood

0010229.296.059 1 Kroonstuk-calypso Groen

0010229.296.060 1 Kroonstuk-satin Silver

0010229.296.061 1 Kroonstuk-satin Orange

0010229.296.062 1 Kroonstuk-midblue

0010229.296.064 1 Kroonstuk-magic Red Metallic

0010229.296.065 1 Kroonstuk-magic Blue Metallic

0010229.296.069 1 Kroonstuk-magic Gold Metallic

10217.903 2-1 Stofrubber-zwart

10217.92 2-2 Stofrubber-wit

10219.254 3-1 Binnenpoot

10219.255 3-2 Binnenpoot Cpl

10219.225 4 Veer

10219.223 5 Wormmoer

10219.224 6 Wormmoer

10037.05 7 Spanstift 5x28

0010219.242.017 8-1 Onderpoot L.-knalrood

0010219.242.020 8-1 Onderpoot L.-zwart

0010219.242.021 8-1 Onderpoot-l.-zilver Metallic

0010219.242.053 8-1 Onderpoot L.-ultrablauw

0010219.242.058 8-1 Onderpoot L.-robijnrood

0010219.242.059 8-1 Onderpoot L.-calypsogroen

0010219.242.060 8-1 Onderpoot L.-satin Silver

0010219.242.061 8-1 Onderpoot L.-satin Orange

0010219.242.062 8-1 Onderpoot L.-midblue

0010219.242.064 8-1 Onderpoot L.-mag.red Metallic

0010219.242.065 8-1 Onderpoot L.-mag.blue Metallic

0010219.242.069 8-1 Onderpoot L.-magic Gold Metallic

0010219.244.017 9-1 Onderpoot R.-knalrood

0010219.244.020 9-1 Onderpoot R.-zwart

0010219.244.021 9-1 Onderpoot-r.-zilver Metallic

0010219.244.053 9-1 Onderpoot R.-ultrablauw

10025.22 10 Bout M8x20

10031.847 11 Veerring B8

10031.933 12 Sluitring 8

10219.227 13 Rubberdemper

10207.272 14 Klemstrip-zwart (180mm)

10227.308 15 Veerklem

10026.331 16 Bout M12x25

10044.157 17 Sluitring 12

10219.235 18 Rubberslangetje

10229.399 19 Rubberring

0010219.228.017 20 Dekplaat-knalrood

0010219.228.020 20 Dekplaat-zwart

0010219.228.021 20 Dekplaat-zilver Metallic

0010219.228.039 20 Dekplaat-lichtblauw

0010219.228.053 20 Dekplaat-ultrablauw

0010219.228.058 20 Dekplaat-robijnrood

0010219.228.059 20 Dekplaat-calypsogroen

0010219.228.060 20 Dekplaat-satin Silver

0010219.228.061 20 Dekplaat-satin Orange

0010219.228.062 20 Dekplaat-midblue

0010219.228.064 20 Dekplaat-magic Red Metallic

0010219.228.065 20 Dekplaat-magic Blue Metallic

0010219.228.069 20 Dekplaat-magic Gold Metallic

10200.715 21 Stofkap

10200.717 22 Balhoofdmoer

10200.714 23 Conus

10044.535 24 Kogel 5mm

10223.155 25 Cup-boven

10223.157 26 Cup-onder

10222.848 27 Ring

0010234.011.020 28 Stuurklem-zwart

0010234.011.021 28 Stuurklem-zilver

0010234.011.053 28 Stuurklem-ultrablauw

10031.077 29 Moer M8

0010234.012.020 30 Stuurbeugel-zwart

0010234.012.021 30 Stuurbeugel-zilver

0010234.012.053 30 Stuurbeugel-ultrablauw

10026.573 31 Inbusbout M6x25

0010222.261.017 32-1 Lampsteun L.-knalrood

0010222.261.020 32-1 Lampsteun L.-zwart

0010222.261.021 32-1 Lampsteun L.-zilver Metallic

0010222.261.039 32-1 Lampsteun L.-lichtblauw

0010222.261.053 32-1 Lampsteun L.-ultrablauw

0010222.261.058 32-1 Lampsteun L.-robijnrood

0010222.261.059 32-1 Lampsteun L.-calypsogroen

0010222.261.060 32-1 Lampsteun L.-satin Silver

0010222.261.061 32-1 Lampsteun L.-satin Orange

0010222.261.062 32-1 Lampsteun L.-midblue

0010222.261.064 32-1 Lampsteun L.-mag.red Metallic

0010222.261.065 32-1 Lampsteun L.-mag.blue Metallic

0010222.261.069 32-1 Lampsteun L.-magic Gold Metallic

0010222.262.017 33-1 Lampsteun R.-knalrood

0010222.262.020 33-1 Lampsteun R.-zwart

0010222.262.021 33-1 Lampsteun R.-zilver Metallic

0010222.262.039 33-1 Lampsteun R.-lichtblauw

0010222.262.053 33-1 Lampsteun R.-ultrablauw

0010222.262.058 33-1 Lampsteun R.-robijnrood

0010222.262.059 33-1 Lampsteun R.-calypsogroen

0010222.262.060 33-1 Lampsteun R.-satin Silver

0010222.262.061 33-1 Lampsteun R.-satin Orange

0010222.262.062 33-1 Lampsteun R.-midblue

0010222.262.064 33-1 Lampsteun R.-mag.red Metallic

0010222.262.065 33-1 Lampsteun R.-mag.blue Metallic

0010222.262.069 33-1 Lampsteun R.-magic Gold Metallic

10219.211 34 Rubbertule

10025.231 35 Bout M8x25

10031.847 36 Veerring B8

01110/000.380.0700 37 Achterp.kettings. Cas/rr/sp/rs1

10229.293 37 Slot Cpl

10219.349 38 Balhoofdmoer

10206.701 39 Ring

10227.47 40 Balhoofdstel

0010229.354.017 41 Voorvork-knalrood

0010229.354.020 41 Voorvork-zwart

0010229.354.021 41 Voorvork-zilvermetallic

0010229.354.053 41 Voorvork-ultrablauw

0010229.354.058 41 Voorvork-robijn Rood

0010229.354.059 41 Voorvork-calypsogroen

0010229.354.060 41 Voorvork-satin Silver

0010229.354.061 41 Voorvork-satin Orange

0010229.354.062 41 Voorvork-midblue

0010229.354.064 41 Voorvork-magic Red Metallic

0010229.354.065 41 Voorvork-magic Blue Metallic

0010229.354.069 41 Voorvork-magic Gold Metallic

0010234.475.020 42 Voorvork-zwart

0010234.475.039 42 Voorvork-lichtblauw

Exploded view stuur en dashboard 12.gif 10234.147 1-3 Gashandle Cpl.(chroom Hevel)

10234.501 1-1 Gashandle Cpl.-zwart

10234.511 1-2 Gashandle Cpl.-wit

10234.157 2-3 Remhevel R.-chroom

10234.515 2-1 Remhevel R.-zwart

10234.522 2-2 Remhevel R.-wit

10234.159 3-1 Handvat R-zwart (+ Draaibus)

10234.524 3-2 Handvat R-wit (+ Draaibus)

10222.606 4 Veer R.

10213.652 5 Borstbout

10031.973 6 Tandveerring A5

10031.074 7 Moer M5

10213.654 8 Nippel

10234.514 9 Stelnippel

10027.079 10 Bout M6x16

10234.148 11-3 Remhandle Cpl. (chroom Hevel)

10234.502 11-1 Remhandle Cpl.-zwart

10234.512 11-2 Remhandle Cpl.-wit

10234.158 12-3 Remhevel L.-chroom

10234.516 12-1 Remhevel L.-zwart

10234.523 12-2 Remhevel L.-wit

10234.218 13-1 Handvat L-zwart

10234.525 13-2 Handvat L-wit

10222.605 14 Veer L.

10213.652 15 Borstbout

10031.973 16 Tandveerring A5

10031.074 17 Moer M5

10213.654 18 Nippel

10234.514 19 Stelnippel

10027.079 20 Bout M6x16

10227.519 21 Gaskabel

10229.542 22 Voorremkabel

10229.543 23 Achterremkabel

10223.181 24-1 Stuur-zwart

10227.522 24-2 Stuur-wit

10217.664 26-1 Tellerkabel 75cm

10234.238 27 Bagagemand-wit

10230.396 28 Mandsteun-wit

10234.457 29 Bel, Ding Dong-chroom

10222.295 30 Tellerhuis

10217.679 31 Fitting

10044.696 32 Lamp 12v-2w Ba9s

10217.668 33-1 Controleglaasje-blauw

10217.669 33-2 Controleglaasje-groen

10026.326 34 Bout M10x20

10031.513 35 Sluitring 10

10031.848 36 Veerring B10

10031.078 37 Moer M10

10234.222 38-1 Tellerklok-wit 60mm

10222.301 39 Beugel

10213.999 40 Fitting

10213.998 41 Lamp 12v-2w Ba7s

10213.998 43 Lamp 12v-2w Ba7s

10219.497 44 Kabel

10295.138 45 Spiegel

Exploded view remmen en voorwiel(gietaluminium) 13.gif 10230.106 1-2 Voorwiel-wit (ay)

10230.107 1-1 Voorwiel Cpl-wit (ay)

10230.108 1-4 Voorwiel-grijs (ay)

10230.109 1-3 Voorwiel Cpl-grijs (ay)

10230.587 1-6 Voorwiel-zwart (ay)

10230.628 1-5 Voorwiel Cpl-zwart (ay)

10229.745 2-4 Voorwiel-grijs (a2)

10229.752 2-3 Voorwiel Cpl-grijs (a2)

10229.759 2-2 Voorwiel-wit (a2)

10229.762 2-1 Voorwiel Cpl-wit (a2)

10230.753 2-6 Voorwiel-zwart (a2)

10229.736 3-1 Ankerplaat-zwart

10229.747 3-2 Ankerplaat Cpl-zwart

10229.74 4 Remsegmentset

10229.741 5 Veer

10227.114 6 Dopje

10229.743 7 Remsleutel

10229.684 8 Remhevel

10031.509 9 Sluitring 6

10031.075 10 Moer M6

10222.581 11 Kabelklembout

10031.509 12 Sluitring 6

10031.075 13 Moer M6

10222.584 14 Vooras

10222.568 15 Afstandsbus

10044.225 16 Kogellager 6201-z

10227.485 17 Afstandsbus-zwart

10209.277 18 Moer M11x1

10227.45 19 Sluitring

10229.819 20 Telleraandrijving

10209.254 21 Sluitring

10044.925 22 Binnenband 2,25x16"

10044.924 23 Buitenband 2,25x16"

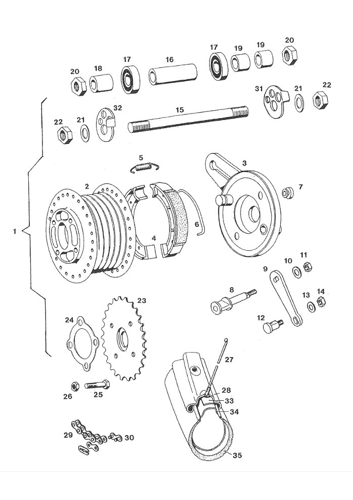
Exploded view remmen en voorwiel(spaak) 14.gif 10230.554 1 Voorwiel Cpl.

10229.193 2-1 Voornaaf-zwart

10211.964 3 Ankerplaat

10223.283 4 Remsegmentset

10209.257 5 Veer

10223.279 6 Veer

10215.016 7 Dopje

10209.238 8 Remsleutel

10222.579 9 Remhevel

10031.509 10 Sluitring 6

10031.075 11 Moer M6

10222.581 12 Kabelklembout

10031.509 13 Sluitring 6

10031.075 14 Moer M6

10209.255 15 Vooras

10206.871 16 Afstandsbus

10044.228 17 Kogellager 6001-z

10209.272 18 Stofring

10208.253 19 Afstandsbus

10209.253 20 Afstandsbus

10209.254 21 Sluitring

10209.249 22 Moer M11x1

10227.45 23 Sluitring

10209.277 24 Moer M11x1

10219.135 25 Spaak Cpl

10217.137 26 Velg 16"

10044.926 27 Velglint 16"

10044.925 28 Binnenband 2,25x16"

10234.227 29 Buitenband 2,25x16" B8-zw/wit

10229.819 30 Telleraandrijving

Exploded view remmen en achterwiel(gietaluminium) 15.gif 10230.113 1-4 Achterwiel-wit Z=22 (ay)

10230.116 1-2 Achterwiel-wit Z=33 (ay)

10230.117 1-1 Achterwiel Cpl-wit Z=33 (ay)

10230.123 1-8 Achterwiel-grijs Z=22 (ay)

10230.126 1-6 Achterwiel-grijs Z=33 (ay)

10230.127 1-5 Achterwiel Cpl-grijs Z=33 (ay)

10230.592 1-10 Achterwiel-zwart Z=33 (ay)

10230.593 1-12 Achterwiel-zwart Z=22 (ay)

10230.632 1-9 Achterwiel Cpl-zwart Z=33 (ay)

10229.764 2-4 Achterwiel-wit Z=22 (a2)

10229.881 2-2 Achterwiel-wit Z=33 (a2)

10229.916 2-8 Achterwiel-grijs Z=22 (a2)

10230.083 2-6 Achterwiel-grijs Z=33 (a2)

10230.084 2-5 Achterwiel Cpl-grijs Z=33 (a2)

10230.756 2-12 Achterwiel-zwart Z=22 (a2)

10230.757 2-10 Achterwiel-zwart Z=33 (a2)

10230.773 2-1 Achterwiel Cpl-wit Z=33 (a2)

10229.738 3-1 Ankerplaat-zwart

10229.748 3-2 Ankerplaat Cpl-zwart

10229.74 4 Remsegmentset

10229.741 5 Veer

10227.114 6 Dopje

10229.743 7 Remsleutel

10229.684 8 Remhevel

10031.509 9 Sluitring 6

10031.075 10 Moer M6

10222.581 11 Kabelklembout

10031.509 12 Sluitring 6

10031.075 13 Moer M6

10222.585 14 Achteras

10222.569 15 Afstandsbus

10044.225 16 Kogellager 6201-z

10222.883 17 Afstandsbus-zwart

10209.277 18 Moer M11x1

10227.45 19 Sluitring

10229.265 20-1 Achtertandwiel Z=33

10222.583 21 Borgplaat

10026.304 22 Bout M7x25

10031.076 23 Moer M7

10205.348 24-1 Ketting-95 Schakels

10229.189 25 Kettingschakel

10209.212 26 Kettingspanner

10223.112 27 Kettingspanner

10044.925 28 Binnenband 2,25x16"

10044.924 29 Buitenband 2,25x16"

Exploded view remmen en achterwiel(spaak) 16.gif 10230.594 1-1 Achterwiel Cpl-spaak Z=33

10229.194 2-1 Achternaaf-zwart

10211.965 3 Ankerplaat

10223.283 4 Remsegmentset

10209.257 5 Veer

10223.279 6 Veer

10215.016 7 Dopje

10209.238 8 Remsleutel

10222.579 9 Remhevel

10031.509 10 Sluitring 6

10031.075 11 Moer M6

10222.581 12 Kabelklembout

10031.509 13 Sluitring 6

10031.075 14 Moer M6

10209.256 15 Achteras

10209.262 16 Afstandsbus

10044.228 17 Kogellager 6001-z

10208.263 18 Afstandsbus

10209.253 19 Afstandsbus

10209.249 20 Moer M11x1

10227.45 21 Sluitring

10209.277 22 Moer M11x1

10230.596 23-1 Achtertandwiel Z=33 (spaakw.)

10222.583 24 Borgplaat

10025.208 25 Bout M7x22

10031.076 26 Moer M7

10219.135 27 Spaak Cpl

10217.137 28 Velg 16"

10205.348 29-1 Ketting-95 Schakels

10229.189 30 Kettingschakel

10209.212 31 Kettingspanner

10223.112 32 Kettingspanner

10044.926 33 Velglint 16"

10044.925 34 Binnenband 2,25x16"

10234.227 35 Buitenband 2,25x16" B8-zw/wit

Exploded view verlichting 17.gif 10227.1 1-1 Koplamp Cpl

10227.101 1-2 Koplampunit

10227.507 1-3 Koplamphuis

10044.701 2 Lamp 12v-25/25w Ba20d

10227.102 3 Fitting

10214.657 4 Veerclip

10044.432 5 Parker 3,9x25

10027.268 6 Bout M6x16

10031.932 7 Sluitring 6

10031.513 9 Sluitring 10

10031.848 10 Veerring B10

10031.11 11 Moer M10x1,25

10044.443 12 Parker 2,9x25

10234.034 13 Koplamp Cpl

10044.701 14 Lamp 12v-25/25w Ba20d

10027.268 15 Bout M6x16

10031.932 16 Sluitring 6

10044.704 18 Lamp 12v-15w P26s

10027.249 19 Bout M6x20

10031.932 20 Sluitring 6

10223.493 21 Vulring

10223.509 22-1 Achterlicht

10234.11 22-2 Achterlichtglas

10044.689 23 Lamp 12v-10w Ba15s

10044.698 24 Lamp 12v-5w Ba15s

10213.453 25 Parker 3,5x45

10025.353 26 Bout M6x20

10208.324 27 Sluitring

10208.326 28 Afstandsbus

10219.866 29 Afstandsbusje

10219.946 30 Rubbertule

10219.868 31 Sluitring 8

10219.869 32 Moer M6

10223.572 33-1 Achterlicht

10227.475 33-2 Achterlichtglas

10044.689 34 Lamp 12v-10w Ba15s

10044.698 35 Lamp 12v-5w Ba15s

10044.432 36 Parker 3,9x25

10027.268 37 Bout M6x16

10031.509 38 Sluitring 6

10027.249 40 Bout M6x20

10044.284 41 Bout M6x22

10217.674 42 Sluitring

10208.324 43 Sluitring

10222.187 44 Afstandsbusje

10219.946 45 Rubbertule

10208.324 46 Sluitring

10031.075 47 Moer M6

10031.513 49 Sluitring 10

10031.848 50 Veerring B10

10031.11 51 Moer M10x1,25

10044.443 52 Parker 2,9x25

10044.689 53 Lamp 12v-10w Ba15s

Exploded view schakelaars en claxon 18.gif 10221.038 1 Spanningsregelaar (12 Volt)

10027.266 2 Bout M6x25

10031.845 3 Veerring B6

10229.719 4 Schakelaar R, Verlichting

10044.443 5 Parker 2,9x25

10031.909 6 Sluitring 3

10044.442 7 Parker 3,9x16

10229.722 8 Schakelaar L, Knipperlicht

10044.443 9 Parker 2,9x25

10031.909 10 Sluitring 3

10044.442 11 Parker 3,9x16

10213.194 12 Rubber Tule

10227.191 13 Schakelaar

10031.932 14 Sluitring 6

10223.233 15 Claxon

10027.268 16 Bout M6x16

10031.932 17 Sluitring 6

10031.845 18 Veerring B6

10031.075 19 Moer M6

10221.606 20 Clignoteur

10027.265 21 Bout M6x12

10031.995 22 Tandveerring A6

10230.086 23 Schakelaar Met Kabel Cpl

10230.603 23 Kabelboom Met Schakelaar Cpl

10230.643 23 Schakelaars Met Kabel Cpl

10229.767 24 Kabelboom-achter

10230.634 24 Kabelboom-achter